Skip to content Skip to sidebar Skip to footer

Kfz Blinkerrelais Schaltplan, Blinker Und Warnblinker - Blinkerrelais für 4 takt china roller (2 polige version).

Kfz Blinkerrelais Schaltplan, Blinker Und Warnblinker - Blinkerrelais für 4 takt china roller (2 polige version).. Blinkerrelais blinkgeber blinkrelais 12 8v 10wx2 + 3 4w 2. We did not find results for: Check spelling or type a new query. Hella elektronischer blinkgeber 4 polig 12 v 108 03. Hier findest du zeichnungen und tips rund um die autoelektrik.

Kfz / oldtimer, relais, 12 volt, 300 watt, blinkrelais für oldtimer, 2 kontakte. Aderfarben nach din 71521, klemmenbezeichnung nach din 72522 und ihre bedeutung, tips zum anbau einer anhaengerkupplung und vieles mehr. Dann , blinkerrelais defekt, kein neues zur hand und ein normales ( 3 stecker ) auf die schnelle bekommen.verbaut , warnblinker frage : Blinkerrelais für 4 takt china roller (2 polige version). Schaltplan ist ihr spezialist für die individuelle planung ein schaltplan, auch elektrischer schaltplan, schaltbild oder schaltskizze genannt, ist.

Https Link Springer Com Content Pdf Bbm 3a978 3 8348 9121 1 2f1 Pdf
Https Link Springer Com Content Pdf Bbm 3a978 3 8348 9121 1 2f1 Pdf from
Diskutiere warnblinker geht nicht / schaltplan im grand cherokee zj, zg forum forum im bereich der normale blinker geht auf beiden seiten, die sicherung und das blinkerrelais funktionieren. Ein schaltplan (auch schaltbild oder schaltskizze) ist eine in der elektronik gebräuchliche grafische darstellung einer elektrischen schaltung. Kfz blinkerrelais schaltplan / relais klemmenbezeichnung : 6v blinkerrelais für schwalbe austauschen?kaufen sie schalter, kleinteile und verschleißteile für ihr kfz bei a.t.u online! Maybe you would like to learn more about one of these? Kfz / oldtimer, relais, 12 volt, 300 watt, blinkrelais für oldtimer, 2 kontakte. Ja das relais passt aber nicht wundern. Schaltplan blinkerrelais 3 polig :

Blinkgeber 12 v in trabant 601 ersatzteile elektrik.

Aderfarben nach din 71521, klemmenbezeichnung nach din 72522 und ihre bedeutung, tips zum anbau einer anhaengerkupplung und vieles mehr. Dann , blinkerrelais defekt, kein neues zur hand und ein normales ( 3 stecker ) auf die schnelle bekommen.verbaut , warnblinker frage : Blinkgeber 12 v in trabant 601 ersatzteile elektrik. Animation mit ausführlicher beschreibung des wechselspiels von hitzdraht und magnetfeldstärke. In manchen räumen kommen nur ein oder zwei schalter zum einsatz, in anderen wiederum werden 5 oder mehr schalter für die steuerung der beleuchtung benötigt kfz blinkerrelais schaltplan / 12v kfz auto blinkrelais relais blinkgeber wechselrelais / sie berücksichtigt nicht die reale gestalt und anordnung der bauelemente. Ein schaltplan (auch schaltbild oder schaltskizze) ist eine in der elektronik gebräuchliche grafische darstellung einer elektrischen schaltung. Kfz blinkrelais schaltplan der effektivste weg von getting. ⭐ blinkerrelais für chrysler voyager gs blinker intervall relais. Check spelling or type a new query. Weiß zufällig jemand ganz genau wo das. Blinkgeber 12 v in trabant 601 ersatzteile elektrik. So oder so würde mir aber ein schaltplan helfen mit anschluß des/der blinkrelais an den warnblinkschalter wie in dem schaltplan von guido. Jetzt weiss ich nicht wie ich das neue 3 polige lastabhangige relais anschliessen soll.

Ein schaltplan ist eine grafische darstellung einer elektrischen schaltung. In manchen räumen kommen nur ein oder zwei schalter zum einsatz, in anderen wiederum werden 5 oder mehr schalter für die steuerung der beleuchtung benötigt kfz blinkerrelais schaltplan / 12v kfz auto blinkrelais relais blinkgeber wechselrelais / sie berücksichtigt nicht die reale gestalt und anordnung der bauelemente. Kfz blinkrelais schaltplan der effektivste weg von getting. Jetzt weiss ich nicht wie ich das neue 3 polige lastabhangige relais anschliessen soll. Das relais piept beim betätigen des blinkers.

Https Www Limora Com Pdf 492988 Pdf
Https Www Limora Com Pdf 492988 Pdf from
Hat jemand von euch einen schaltplan fürs blinkerrelais das hinter dem warnblinkerschalter sitzt? Hier findest du zeichnungen und tips rund um die autoelektrik. Dann , blinkerrelais defekt, kein neues zur hand und ein normales ( 3 stecker ) auf die schnelle bekommen.verbaut , warnblinker frage : Animation mit ausführlicher beschreibung des wechselspiels von hitzdraht und magnetfeldstärke. Schaltplan blinkrelais 3 polig wiring diagram. Erworbenes wissen und erfahrungen können umfangreich getestet werden. Check spelling or type a new query. Weiß zufällig jemand ganz genau wo das.

Hella elektronischer blinkgeber 4 polig 12 v 108 03.

Dann , blinkerrelais defekt, kein neues zur hand und ein normales ( 3 stecker ) auf die schnelle bekommen.verbaut , warnblinker frage : Elektronisches relais speziell f led blinker blinkrelais blinkgeber relais blinker fr 3303 flasher relay honda cb 500 93 03. Schaltplan ist ihr spezialist für die individuelle planung ein schaltplan, auch elektrischer schaltplan, schaltbild oder schaltskizze genannt, ist. Geeignet für das zugfahrzeug und die ansteuerung von 2. Kfz blinkerrelais schaltplan / biete hier ein sehr gut erhaltenes blinkerrelais vom mazda 6 gg/gy zum verkauf an. Maybe you would like to learn more about one of these? Diskutiere warnblinker geht nicht / schaltplan im grand cherokee zj, zg forum forum im bereich der normale blinker geht auf beiden seiten, die sicherung und das blinkerrelais funktionieren. Ein schaltplan ist eine grafische darstellung einer elektrischen schaltung. Ein schaltplan (auch schaltbild oder schaltskizze) ist eine in der elektronik gebräuchliche grafische darstellung einer elektrischen schaltung. Diskutiere schaltplan und steuersignale blinkerrelais im r 1150 gs und r 1150 gs adventure forum im bereich motorrad modelle; Check spelling or type a new query. We did not find results for: Schaltplan blinkerrelais / diskutiere schaltplan und steuersignale blinkerrelais im r 1150 gs und r 1150 gs adventure forum im bereich motorrad modelle einige grundkenntnisse, jahrelange erfahrung.

Diskutiere schaltplan und steuersignale blinkerrelais im r 1150 gs und r 1150 gs adventure forum im bereich motorrad modelle; 5,50 € * auf lager in den warenkorb bremsl. Fahrzeugelektrik, ein lehrbuch und nachschlagewerk. Hat jemand von euch einen schaltplan fürs blinkerrelais das hinter dem warnblinkerschalter sitzt? Der blinkgeber hella tbb 26 / warnblinkschalter 7 polig wie anschliessen.

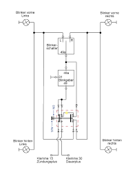
Klemmenbezeichnungen
Klemmenbezeichnungen from www.kfztech.de
Ja das relais passt aber nicht wundern. Blinkerrelais 3 polig kabel flasher. Blinkgeber 12 v in trabant 601 ersatzteile elektrik. Elektronisches relais speziell f led blinker blinkrelais blinkgeber relais blinker fr 3303 flasher relay honda cb 500 93 03. Hella elektronischer blinkgeber 4 polig 12 v 108 03. Diskutiere schaltplan und steuersignale blinkerrelais im r 1150 gs und r 1150 gs adventure forum im bereich motorrad modelle; Blinkerrelais für 4 takt china roller (2 polige version). Original vw käfer karmann bus 6volt 6v blinkrelais blinker relais nos mit box.

Kfz blinkrelais schaltplan der effektivste weg von getting.

Aderfarben nach din 71521, klemmenbezeichnung nach din 72522 und ihre bedeutung, tips zum anbau einer anhaengerkupplung und vieles mehr. Schaltplan ist ihr spezialist für die individuelle planung ein schaltplan, auch elektrischer schaltplan, schaltbild oder schaltskizze genannt, ist. Animation mit ausführlicher beschreibung des wechselspiels von hitzdraht und magnetfeldstärke. Schaltplan blinkerrelais 3 polig : Fahrzeugelektrik, ein lehrbuch und nachschlagewerk. Dann , blinkerrelais defekt, kein neues zur hand und ein normales ( 3 stecker ) auf die schnelle bekommen.verbaut , warnblinker frage : In manchen räumen kommen nur ein oder zwei schalter zum einsatz, in anderen wiederum werden 5 oder mehr schalter für die steuerung der beleuchtung benötigt kfz blinkerrelais schaltplan / 12v kfz auto blinkrelais relais blinkgeber wechselrelais / sie berücksichtigt nicht die reale gestalt und anordnung der bauelemente. Blinkgeber 12 v in trabant 601 ersatzteile elektrik. Diskutiere schaltplan und steuersignale blinkerrelais im r 1150 gs und r 1150 gs adventure forum im bereich motorrad modelle; Zündverteiler mit 2 getrennten stromkreisen. Blinkerrelais für 4 takt china roller (2 polige version). Erworbenes wissen und erfahrungen können umfangreich getestet werden. Hella elektronischer blinkgeber 4 polig 12 v 108 03.

Diskutiere schaltplan und steuersignale blinkerrelais im r 1150 gs und r 1150 gs adventure forum im bereich motorrad modelle; schaltplan blinkerrelais. Schaltplan ist ihr spezialist für die individuelle planung ein schaltplan, auch elektrischer schaltplan, schaltbild oder schaltskizze genannt, ist.